青量代理台州万量工具有限公司
加入收藏
联系我们
15558521998
0576-89603754
网站首页
关于我们
产品中心
卡尺
千分尺
指示表
角尺
量块
量规
粗糙度样块
量具附件
新闻动态
新闻资讯
常见问题
联系我们
样本书下载
加入我们
您的位置:
首页
>>
产品中心
>>
指示表
产品中心
卡尺
千分尺
指示表
角尺
量块
量规
粗糙度样块
量具附件
推荐产品
青量特殊千分尺
青量特殊千分尺
青量特殊千分尺
青量特殊千分尺
联系我们
青海青量-青海量具刃具集团公司
地址:浙江省台州市温岭市温峤镇开元南路358号锦峤商城4幢17号
手机:15558521998
咨询热线
0576-89603754
青量内径表零点检测仪
F1502
内径表零点检测仪
用于内径量表零位的校准。
精度高,性能稳定。
可换支板适用于校对多种内径量表的零位。
测量参数
货号
测量范围
F1502
18-400mm
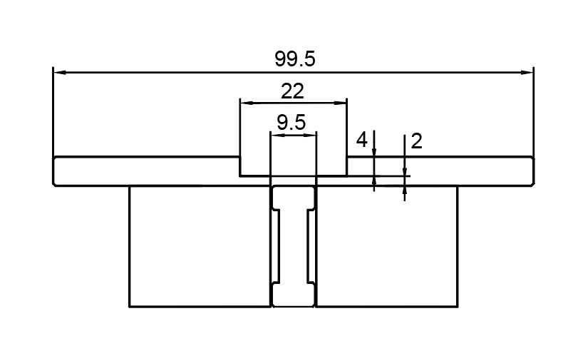
尺寸图
内径表零点检测仪监测实例
上一篇:
青量带表卡规
下一篇:
青量外卡规
推荐资讯
2025-11-17
青量高精度数字高度计
2025-11-17
青量高精度数字高度计
2025-11-17
青量高精度数字高度计
2025-11-17
青量高精度数字高度计
2025-11-17
青量高精度数字高度计
2025-11-17
青量高度计用表
2025-11-17
青量高精度数字高度计
2025-11-17
青量带表卡规
Copyright © 2023 青量集团代理台州万量工具有限公司 版权所有 地址:浙江省台州市温岭市温峤镇开元南路358号锦峤商城4幢17号
浙ICP备20220296018号
万量工具
XML地图
15558521998
微信二维码